Hunan Zhengzhong Pharmaceutical Machinery Co., Ltd.
  • 
  • Home
  • Products +
  • Test Methods +
    • Visual Image Processing
    • Vacuum Decay
    • High Voltage Leak Detection (HVLD)
  • Applications +
    • Liquid Dosage
    • Freeze-Dried Powder
  • About Us +
    • Overview
    • Company Profile
    • History
    • Service & Support
    • FAQs
  • Case Studies
  • Contact
  • Videos
  • Home
  • Products
  • Leak Testing Machines
  • IV Bag Leak Testing Machine
Leak Testing Machines
  • IV Bag Leak Testing Machine
  • IV Bag Leak Testing Machine
  • IV Bag Leak Testing Machine
  • IV Bag Leak Testing Machine
IV Bag Leak Testing Machine
IV Bag Leak Testing Machine
IV Bag Leak Testing Machine
IV Bag Leak Testing Machine
IV Bag Leak Testing Machine
IV Bag Leak Testing Machine
IV Bag Leak Testing Machine
IV Bag Leak Testing Machine
IV Bag Leak Testing Machine
IV Bag Leak Testing Machine
Request a Quote

RJL Container Closure Integrity Testing (CCIT)

IV Bag Leak Testing Machine

Non-destructive CCI tester for detecting leaks in IV bags and medical fluid bags ranging from 50ml to 1000ml at speeds up to 3600 bags/hour
Technical Specifications
  • Speed: 3000-3600bags/hour
  • Applicable package: 50-1000ml IV bags (intravenous bags)
  • Power supply: 4.6kW, 380V 50Hz (multi-output high-frequency high-voltage power supply)
  • Output voltage: 0-30kV
  • Output frequency: 500-1000Hz
  • Compressed air: 0.1-1.0MP a
  • Machine dimensions (L×W×H): 5950×950×2100mm
  • Machine weight: approx. 1700kg
Highlights
  • Inspection speed: 3000–3600 bags/hour
  • Compatible with IV bags from 50ml to 1000ml
  • Uses High Voltage Leak Detection (HVLD) for non-contact inspection
  • Built with high-quality components from trusted brands, including Mitsubishi servo motors
  • Fully compliant with FDA 21 CFR Part 11
  • Equipped with an intuitive HMI interface that tracks all user operations, parameter changes, and production data for full auditability
Applications

Suitable for leak detection in soft IV bags used for large-volume parenteral (LVP) solutions. It detects a wide range of sealing issues, including micro-holes larger than 0.1μm, as well as defects along the bag’s welded seams, the port area, and the tube connections. This type of inspection is important to ensure that the container maintains sterility and structural integrity throughout its shelf life.

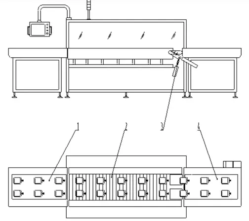
Working Process

Soft IV bags are first aligned at regular intervals on the infeed conveyor (1). An industrial robot transfers each bag one by one into the inspection section (2), which uses segmented conveyor belts to guide the flow. Multiple inspection stations are arranged along this path, and each can be adjusted to focus on specific areas of the bag, ensuring a thorough, 360-degree leak check across all sealing and structural points.

Once the inspection is complete, any bags that fail are automatically removed by the rejection unit (3), while those that pass continue on the outfeed conveyor (4). (Refer to Fig 1)

Working Process
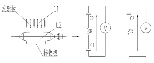
Principle of HVLD Inspection

High Voltage Leak Detection (HVLD) works by applying a high-frequency, high-voltage signal between two external electrodes placed on opposite sides of the container. These electrodes do not make direct contact with the liquid; instead, a capacitive field is formed between the electrodes and the solution through the container wall. This setup creates two capacitors: C1 and C2. The solution itself acts as a resistor (R), and its conductivity should be ≥1.2 μS to ensure proper signal transmission and accurate detection.

  • When the container is properly sealed, the testing system detects only a minimal microcurrent. The insulating layer remains intact, and the circuit behaves as expected, with both capacitors (C1 and C2) in place. This condition is interpreted as a pass.
  • If a leak is present, such as a crack or pinhole, the solution makes direct contact with the electrodes. The insulating barrier is compromised, the capacitive effect disappears, and the circuit allows a stronger current to pass. This elevated current indicates a failure.

By comparing the current levels from these two scenarios, the leak testing system can accurately determine whether a container is intact or leaking.

Principle of HVLD Inspection
Related Inspection Equipment
    Ampoule/Vial Leak Testing Machine
    Ampoule/Vial Leak Testing Machine
    BFS Ampoule Leak Testing Machine
    BFS Ampoule Leak Testing Machine
    Prefilled Syringe Leak Testing Machine
    Prefilled Syringe Leak Testing Machine
    BFS Vacuum Decay Leak Testing Machine
    BFS Vacuum Decay Leak Testing Machine

What is package integrity testing in the pharmaceutical industry?

It refers to the process of verifying that pharmaceutical containers are free from damage, cracks, or incomplete seals. This ensures that the product remains sterile and protected throughout its shelf life.

What test methods are commonly used for container closure integrity testing?

Standard techniques include High Voltage Leak Detection (HVLD) and Vacuum Decay. Both are non-destructive methods widely used in pharmaceutical production to detect micro-leaks and ensure sealing reliability.

Which leak detection methods are recommended for ampoules, vials, and soft IV bags?

HVLD is one of the most effective options. It offers high sensitivity and fast detection speeds, making it ideal for inspecting glass containers and flexible packaging like IV bags without causing any damage.

Interested in learning more about our Visual Inspection and Leak Testing Equipment

Get in touch with us today!
Inspection Equipment
Visual Inspection Machines
Visual Inspection Machines
Leak Testing Machines
Leak Testing Machines
Visual Inspection & Leak Testing Machine
Visual Inspection & Leak Testing Machine
The Best Technology for Your Job
Visual Image Processing
Visual Image Processing With nearly 20 years of experience in pharmaceutical inspection, Z-Zone has built a powerful image database sourced from a wide range of equipment and products. Our trained models are built on diverse and extensive datasets, making them highly knowledgeable, accurate ...
Vacuum Decay
Vacuum Decay Vacuum decay leak detection is a non-destructive method used to verify the integrity of sealed packaging. The core principle involves detecting pressure changes in a vacuum environment to identify potential leaks.
High Voltage Leak Detection (HVLD)
High Voltage Leak Detection (HVLD) The system applies a high-frequency, high-voltage power source (denoted as V in the diagram), connected to both the emitter and receiver electrodes.
Products
  • Visual Inspection Machines
  • Leak Testing Machines
  • Visual Inspection & Leak Testing Machine
Test Methods
  • Visual Image Processing
  • Vacuum Decay
  • High Voltage Leak Detection (HVLD)
Applications
  • Liquid Dosage
  • Freeze-Dried Powder
Contact Us
zzoneinspection@gmail.com
+86-731-88906436
+86-18692213322 (Sabrina Wang)
+86-13786180170 (Cici Li)
+86-18692213322